Контакты
Новости
Каталоги
 Войти
Сортировать:
Сначала новые
Сначала старые
Цена ↑
Цена ↓
Кол-во ↑
Кол-во ↓
Имя A→Я
Имя Я→A
Серийник ↑
Серийник ↓
48174254 - поручень
6 073 ₽
48174259 - шланг
15 563 ₽
48174260 - шланг
16 576 ₽
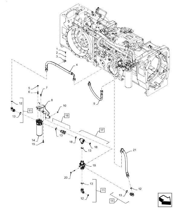
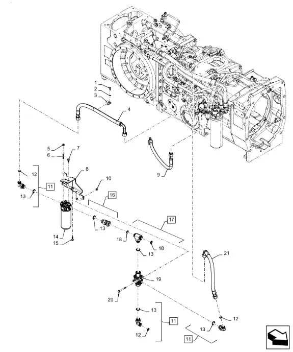
48174261 - Шланг гидравл. смазки КПП T8./Mg.
43 723 ₽
48174262 - Шланг гидравл. смазки КПП T8./Mg.
24 487 ₽
48174263 - Шланг гидравл. смазки КПП T8./Mg.
14 696 ₽
48174264 - шланг
26 935 ₽
48174318 - Шланг гидравл. 793мм рул. сист. TGT8/Mg.
7 621 ₽
48174344 - бачок
145 975 ₽
48174491
15 613 ₽
«
<
1
...
34115
34116
34117
>
»
Страница:
Перейти